Мы используем cookies для улучшения работы сайта, анализа трафика и персонализации.
Продолжая пользоваться сайтом, вы даете согласие на использование файлов cookie.
Политика конфиденциальности
Принять
Автоматизация, приводная техника, редукторы,
насосы, рукава и трубопроводная арматура
+7 (920) 924-71-44 Заказать обратный звонок

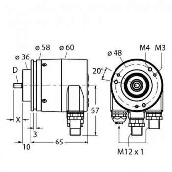
TURCK Измерение характеристик вращенияАбсолютный энкодер/ single-turn - RS-25S6C-9A16B-R3M12 1544363

  • Тип: RS-25S6C-9A16B-R3M12
  • Заказной номер: 1544363
    • Прижимной фланец, ⌀ 58 мм
    • Вал, Ø 6 мм x 10 мм
    • Оптический принцип
    • Материал корпуса нерж. сталь
      • Класс защиты IP67 со стороны вала
      • ‐40…+80°C
      • Макс. 3000 об/мин
        • PROFIBUS
        • Съемная крышка шины с 3 x M12 соединениями
          • 360° разрешение в 16 бит (65536 позиций)
          • Масштабируемое, значение по умолчанию 13 бит
Оставить заявку
  • Характеристики
  • Характеристики
  • Отзывы 0
EAN4047101255652
ECl@ss-Code (V5.1.4):27270501 -/- Инкодеры, абсолютные
TechnologyConventional
Тип выходаАбсолютный однооборотный
Тип валаВал
Выходная функцияPROFIBUS
Материал корпусаЦинк, литье под давлением
teh
Ед шт
Артикул 1544363
dr
Колво 1

Отзывы и оценки наших покупателей

отзывов пока нет, Вы можете оставить первый отзыв
Добавить отзыв
Мы готовы ответить на любые ваши вопросы
Звоните нам!
Или отправьте заявку онлайн

+7 (920) 924-71-44

Режим работы с 9:00 до 19:00