Мы используем cookies для улучшения работы сайта, анализа трафика и персонализации.
Продолжая пользоваться сайтом, вы даете согласие на использование файлов cookie.
Политика конфиденциальности
Принять
Автоматизация, приводная техника, редукторы,
насосы, рукава и трубопроводная арматура
+7 (920) 924-71-44 Заказать обратный звонок

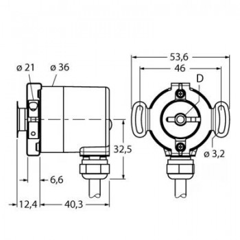
TURCK Измерение характеристик вращенияАбсолютный энкодер/ single-turn - RS-55H6E-5B9B-C 1M 1545233

  • Тип: RS-55H6E-5B9B-C 1M
  • Заказной номер: 1545233
    • Фланец под статор, ⌀ 36 мм
    • Полый вал, Ø 6 мм
    • Магнитный принцип измерения
    • Материал вала: нерж. сталь
      • Класс защиты IP67 со стороны вала
      • ‐40…+85°C
      • Max. 6000 об/мин
        • 5…30 В =
        • SSI, дискретн.
        • Кабельное соединение, 8-контактн.
          • 360° передается в 9 бит (512 позиций)
Оставить заявку
  • Характеристики
  • Характеристики
  • Отзывы 0
EAN4047101268652
ECl@ss-Code (V5.1.4):27270501 -/- Инкодеры, абсолютные
TechnologyConventional
Тип выходаАбсолютный однооборотный
Тип валаПолый вал
Выходная функцияSSI
Материал корпусаЦинк, литье под давлением
teh
Ед шт
Артикул 1545233
dr
Колво 1

Отзывы и оценки наших покупателей

отзывов пока нет, Вы можете оставить первый отзыв
Добавить отзыв
Мы готовы ответить на любые ваши вопросы
Звоните нам!
Или отправьте заявку онлайн

+7 (920) 924-71-44

Режим работы с 9:00 до 19:00